
Автор: uldemir
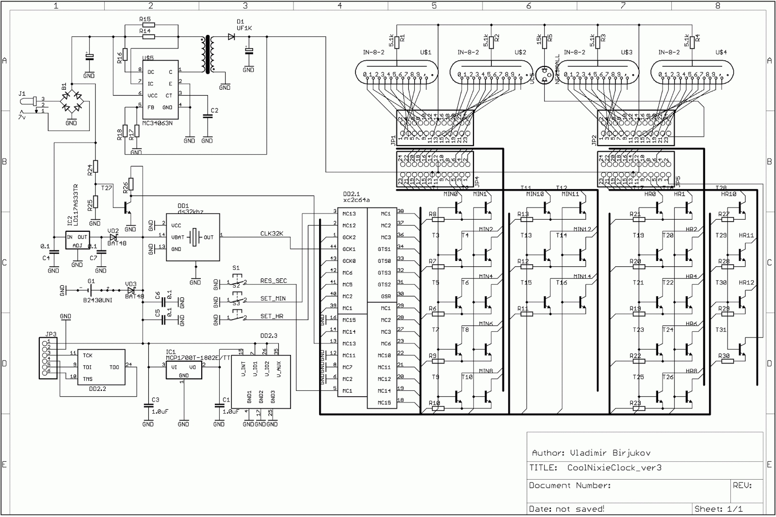
Лампа: ИН-8-2
Схема: есть
Плата:нет
Прошивка:не нужна
Исходник:нет
Описание: нет
Особенности: мне понравилась простота корпуса.
Схема:
Применение автором в качестве устройства управления ПЛИС (программи́руемая логи́ческая интегра́льная схе́ма), ограничивает возможность повторения самой схемы, но корпус мне пришелся по душе.
Желающие повторить,думаю, обратятся к автору за документацией. Ссылка вверху.
От автора:
Третья версия часов на CPLD CoolrunnerII. Что в ней нового? да собственно ничего, за исключением того, что катодные ключи выполнены по схеме ИТУН, но так как этот "Н" константа, то можно считать, что это просто источники тока. Конечно, на всякий случай в аноды воткнул резисторы по 5 килоом, но только на всякий случай, если на плате будет кз, чтобы лампы не улетели.
Еще ключи разделены на четные/нечетные и управляются по очереди. Также, токозадающие резисторы один на пару ключей. Итого на все часы 17 токозадающих резисторов. Я это знаю точно, так как ошибся в расчетах на порядок и пришлось их перепаивать. Можно было бы схему сделать с 8-ю токозадающими резисторами, но я не мог такую схему развести по одному слою.
За счет такого хитрого включения удалось здорово сэкономить количество ног CPLD и нашлась одна нога, через которую передается сигнал пропадания основного питания и логика запирает ключи и блокирует обработку нажатия на кнопки.
Ну и последнее, высоковольтный преобразователь на 34063.
Ну и фото:






Комментариев нет:
Отправить комментарий